Выключатель-разъединитель ВР32-31-А-70220-00 УХЛ3 лев.
Mahsulot tavsifi
Аппараты серии ВР32 – одни из самых широко применяемых в сетях низкого напряжения. Включают различные типоисполнения по токам, видам привода и категориям применения.
Предназначен для включения, пропускания и отключения переменного тока номинальным напряжением до 660 В номинальной частотой 50 и 60 Гц и постоянного тока напряжением до 440В в устройствах распределения электрической энергии.
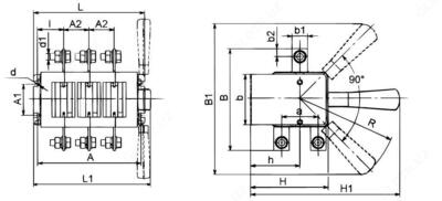
Основными узлами аппарата являются подвижные и неподвижные контакты.
Набор подвижных и неподвижных контактов с корпусом представляет собой пакет. Пакеты стянуты шпильками.
Число пакетов соответствует числу полюсов плюс один корпус, в котором размещен механизм фиксации. служащий для фиксации рукоятки привода в положении «включено» и «отключено».
Подвижные контакты установлены в пластмассовый вал, при повороте которого рукояткой привода в коммутационное положение осуществляется замыкание и размыкание контактов.
С помощью рукоятки, кроме вида привода «без рукоятки», производятся операции «включение-отключение» для аппаратов на одно направление поворотом на угол 90 и «включение–отключение-включение» для аппаратов на два направления поворотом на угол 45° в каждое положение. Все положения имеют фиксацию.
Внимание: характеристики товара, комплект поставки и внешний вид могут быть изменены производителем без предварительного уведомления. Указанная информация не является публичной офертой.
Barchasini ko'rsatish
Yashirish
Sharhlar
Bu mahsulotga hali sharh berilmagan. O‘z fikringizni birinchi bo‘lib ulashing va boshqalarga tanlov qilishga yordam bering
Fikr-mulohaza uchun rahmat!
Menejer tafsilotlar, narx va yetkazib berish shartlarini aniqlash uchun 30 daqiqa ichida siz bilan bog‘lanadi
Ro‘yxatdan o‘tgan foydalanuvchilar shaxsiy kabinetida buyurtma holatini kuzatishi mumkin
Bu mahsulot bilan birga ko'rishadi
Выключатель-разъединитель ВР32-37-А-30220-00 УХЛ3 лев.
10 soʻm
Дополнительное оборудование к ВР32 Дугогасительные камеры для ВР32-31 (для перекидного)
10 soʻm
Выключатель-разъединитель ВР32И-31А70220 100А IEK
10 soʻm
Выключатель-разъединитель INV1600 3П1600А Schneider Electric
10 soʻm
Коврик — диэлектрический 750*750 мм
278 460 soʻm
Выключатель-разъединитель ВР32-37А70220-00 УХЛ3
10 soʻm
Дополнительное оборудование к ВР32 Дугогасительные камеры для ВР32-35в
10 soʻm
Выключатель-разъединитель ВР32-37-А-30220-00 УХЛ3
10 soʻm
Выключатель-разъединитель ВР32-31А31240-00УХЛ3
10 soʻm
Диэлектрический коврик 500х500
10 soʻm
Выключатель-разъединитель ВР32-39В31250-32 УХЛ3лев
10 soʻm
Выключатель-разъединитель ВР32-39-А-30220-00УХЛ3
10 soʻm
Sizning avval ko'rganlaringiz
Выключатель-разъединитель ВР32-31-А-70220-00 УХЛ3
Выключатель-разъединитель ВР32-31-А-70220-00 УХЛ3 лев.
CMP-1006 — Многофункциональные токоизмерительные клещи
Предохранитель ППН- 33-20 100А габарит 00 УХЛ3 на держателе
Командаконтроллеры ККТ 60, 61, 62, 63, 65, 66, 68.
C.A 6131 — измеритель параметров безопасности электроустановок
PZ194U-2K1 — вольтметр 1-канальный
ТЕТРОН-Т1500 — пирометр инфракрасный
6ES7972-0BB12-0XA0 КОНТРОЛЛЕРЫ SIEMENS S7-200
АНР-3122 — usb генератор сигналов произвольной формы
O'xshash kategoriyalar