Выключатель-разъединитель ВР32-39-А-70220-00УХЛ3
Описание товара
Аппараты серии ВР32 – одни из самых широко применяемых в сетях низкого напряжения. Включают различные типоисполнения по токам, видам привода и категориям применения.
Предназначен для включения, пропускания и отключения переменного тока номинальным напряжением до 660 В номинальной частотой 50 и 60 Гц и постоянного тока напряжением до 440В в устройствах распределения электрической энергии.
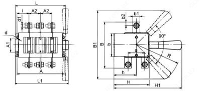
Основными узлами аппарата являются подвижные и неподвижные контакты.
Набор подвижных и неподвижных контактов с корпусом представляет собой пакет. Пакеты стянуты шпильками.
Число пакетов соответствует числу полюсов плюс один корпус, в котором размещен механизм фиксации. служащий для фиксации рукоятки привода в положении «включено» и «отключено».
Подвижные контакты установлены в пластмассовый вал, при повороте которого рукояткой привода в коммутационное положение осуществляется замыкание и размыкание контактов.
С помощью рукоятки, кроме вида привода «без рукоятки», производятся операции «включение-отключение» для аппаратов на одно направление поворотом на угол 90 и «включение–отключение-включение» для аппаратов на два направления поворотом на угол 45° в каждое положение. Все положения имеют фиксацию.
Внимание: характеристики товара, комплект поставки и внешний вид могут быть изменены производителем без предварительного уведомления. Указанная информация не является публичной офертой.
Показать все
Скрыть
Отзывы
У данного товара пока нет отзывов. Станьте первым, кто поделится своим мнением и поможет другим сделать выбор
Спасибо за ваш отзыв!
Менеджер свяжется с вами в течение 30 минут для уточнения деталей, стоимости и условий доставки
Зарегистрированные пользователи могут отслеживать статус заказа в личном кабинете
С этим товаром смотрят
СТЭЛЛ-4500 — система предварительной локализации кабельных повреждений
10 сум
Выключатель-разъединитель INS1600 3П Schneider Electric
10 сум
Комплектующие к ВР32 Ось ГЛИЦ715111128 к ВР32 58мм (100-250А)
10 сум
Комплектующие к ВР32 Рукоятка к ВР 32- 31/35/37 70220
10 сум
ВЫКЛ-РАЗЪЕД INTERPACT INV400 3П Schneider Electric
10 сум
Выключатель-разъеденитель ВР32-31-А70220-00УХЛ3
10 сум
Выключатель-разъединитель ВР32-35-А-31240-00 УХЛ3
10 сум
Диэлектрический коврик 700х700
125 000 сум
Комплектующие к ВР32 Ось к ВР 32-37В31250 50мм (400А)
10 сум
Выключатель-разъединитель ВР32И-35A31240 250А IEK
10 сум
Выключатель-разъединитель ВР32И-39A31240 630А IEK
10 сум
Выключатель-разъединитель ВНК-35-31130-32 УХЛ3
10 сум
Ранее вы смотрели
Выключатель-разъединитель ВР32-39-А-70220-00УХЛ3
Выключатель-разъединитель ВР32-31-А-31240-00УХЛ3
Выключатель-разъединитель ВНК-41-31130-32 УХЛ3 лев.
Выключатель-разъединитель ВНК-41-41130-32 УХЛ3
ИТП-МГ4 "100" — измеритель теплопроводности
НПВ-70 — нагрузка высоковольтная
УГЛОВЫЕ РАДИАТОРНЫЕ КЛАПАНЫ VEN
431 — тестовые провода кельвина - пинцеты
MFG-72220HM — генератор сигналов специальной формы
Аркантех комплектация 2 — раскрепляющее устройство
Похожие категории