Выключатель-разъединитель ВР32-31-В-71250-32 УХЛ3
Mahsulot tavsifi
Аппараты серии ВР32 – одни из самых широко применяемых в сетях низкого напряжения. Включают различные типоисполнения по токам, видам привода и категориям применения.
Предназначен для включения, пропускания и отключения переменного тока номинальным напряжением до 660 В номинальной частотой 50 и 60 Гц и постоянного тока напряжением до 440В в устройствах распределения электрической энергии.
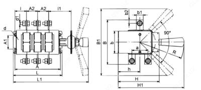
Основными узлами аппарата являются подвижные и неподвижные контакты.
Набор подвижных и неподвижных контактов с корпусом представляет собой пакет. Пакеты стянуты шпильками.
Число пакетов соответствует числу полюсов плюс один корпус, в котором размещен механизм фиксации. служащий для фиксации рукоятки привода в положении «включено» и «отключено».
Подвижные контакты установлены в пластмассовый вал, при повороте которого рукояткой привода в коммутационное положение осуществляется замыкание и размыкание контактов.
С помощью рукоятки, кроме вида привода «без рукоятки», производятся операции «включение-отключение» для аппаратов на одно направление поворотом на угол 90 и «включение–отключение-включение» для аппаратов на два направления поворотом на угол 45° в каждое положение. Все положения имеют фиксацию.
Внимание: характеристики товара, комплект поставки и внешний вид могут быть изменены производителем без предварительного уведомления. Указанная информация не является публичной офертой.
Barchasini ko'rsatish
Yashirish
Sharhlar
Bu mahsulotga hali sharh berilmagan. O‘z fikringizni birinchi bo‘lib ulashing va boshqalarga tanlov qilishga yordam bering
Fikr-mulohaza uchun rahmat!
Menejer tafsilotlar, narx va yetkazib berish shartlarini aniqlash uchun 30 daqiqa ichida siz bilan bog‘lanadi
Ro‘yxatdan o‘tgan foydalanuvchilar shaxsiy kabinetida buyurtma holatini kuzatishi mumkin
Bu mahsulot bilan birga ko'rishadi
Выключатель-разъединитель ВР32-31-В-71250-32 УХЛ3 лев.
10 soʻm
УПП ПЛЮС - комплект для испытания и поиска мест повреждения кабелей
204 161 256 soʻm
Выключатель-разъединитель ВНК-37-71131-32 УХЛ3
10 soʻm
ВЫКЛ-РАЗЪЕД-ПРЕДОХР. ISFL160 (ПРЯМОЕ КРЕПЛ. НА ШИНУ Schneider Electric)
10 soʻm
УПВР-2040 — установка прожигающая
141 912 108 soʻm
ВЫКЛ-РАЗЪЕД INTERPACT INV320 4П Schneider Electric
10 soʻm
Комплектующие к ВР32 Рукоятка к ВР 32- 31/35/37 70220
10 soʻm
Выключатель-разъединитель ВНК-35-71130-54 УХЛ3
10 soʻm
Выключатель-разъединитель ВР32-37А70220-00 УХЛ3 лев.
10 soʻm
Выключатель-разъединитель ВР32-31А31240-00УХЛ3
10 soʻm
Syscompact-2000 portable — мобильный комплекс для поиска мест повреждений кабелей
10 soʻm
Выключатель-разъединитель ВНК-37-71130-32 УХЛ3
10 soʻm
Sizning avval ko'rganlaringiz
ПАРМА ВАФ-А(М) 0-0-0-1 — вольтамперфазометр (базовый блок)
Выключатель-разъединитель ВР32И-39A30220 630А IEK
Выключатель-разъединитель ВР32-31-В-71250-32 УХЛ3
DT-820 — инфракрасный термометр (пирометр)
УПУ-15 — установка высоковольтная
Benning СМ 11 — токовые клещи True RMS
UT-77 — набор инструментов для заделки витой пары
WK 6530P — прецизионный ВЧ измеритель
F-3A1 — клещи гибкие
USG-3044 — портативный USB ВЧ генератор
O'xshash kategoriyalar