Выключатель-разъединитель ВНК-37-71131-52УХЛ3
Mahsulot tavsifi
Выключатели-разъединители серии ВНК предназначены для включения, пропускания и отключения переменного тока в устройствах распределения электрической энергии, могут быть использованы в качестве главных и аварийных выключателей.
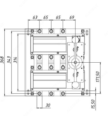
Основными узлами аппарата являются подвижные и неподвижные контакты и механизм мгновенного действия.
Корпус аппарата состоит из верхнего и нижнего блоков, стянутых винтами. В верхней части корпуса имеется прозрачная защитная крышка, позволяющая наблюдать за положением контактов.
В нижнем блоке корпуса установлены неподвижные ножевые контакты, компактные дугогасительные камеры и ползун с установленными в него подвижными контактами.
Включение и отключение аппарата производится с помощью фронтальной рукоятки посредством механизма мгновенного действия, перемещающего ползун с подвижными контактами параллельно плоскости монтажа аппарата.
Скорость срабатывания механизма не зависит от скорости движения руки оператора, тем самым обеспечивается мгновенное и одновременное замыканиеконтактов всех полюсов.
Внимание: характеристики товара, комплект поставки и внешний вид могут быть изменены производителем без предварительного уведомления. Указанная информация не является публичной офертой.
Barchasini ko'rsatish
Yashirish
Sharhlar
Bu mahsulotga hali sharh berilmagan. O‘z fikringizni birinchi bo‘lib ulashing va boshqalarga tanlov qilishga yordam bering
Fikr-mulohaza uchun rahmat!
Menejer tafsilotlar, narx va yetkazib berish shartlarini aniqlash uchun 30 daqiqa ichida siz bilan bog‘lanadi
Ro‘yxatdan o‘tgan foydalanuvchilar shaxsiy kabinetida buyurtma holatini kuzatishi mumkin
Bu mahsulot bilan birga ko'rishadi
Дополнительное оборудование к ВР32 Дугогасительные камеры для ВР32-39 (для перекидного)
10 soʻm
Комплектующие к ВР32 Фланец к ВР 32 (100-400А)
10 soʻm
ВЫКЛ-РАЗЪЕД INTERPACT INS500 3П Schneider Electric
10 soʻm
Выключатель-разъединитель ВР32И-37А70220 400А IEK
10 soʻm
Выключатель-разъединитель ВНК-39-31130-32 УХЛ3
10 soʻm
Выключатель-разъединитель ВНК-39-31130N-54 УХЛ3
10 soʻm
Комплектующие к ВР32 Рукоятка к ВР 32-39 70220
10 soʻm
Выключатель-разъединитель ВР32-37А71240-00 УХЛ3
10 soʻm
Комплектующие к ВР32 Рукоятка к ВР 32- 39 30220
10 soʻm
Комплектующие к ВР32 Рукоятка к ВР 32-39 71250
10 soʻm
BURNMAKER-2 — компактная прожиговая установка для определения мест повреждения электрического нагревательного кабеля в системах теплого пола
10 soʻm
SPG 32-1750 — установка для испытаний и поиска кабельных повреждений, без TDR
10 soʻm
Sizning avval ko'rganlaringiz
Выключатель-разъединитель ВНК-37-71131-52УХЛ3
Выключатель-разъединитель ВНК-43-31131-54 УХЛ3 лев.
Рубильник РПБ 2/П без ПН2, 250А правая рукоятка
Предохранитель ППН- 37-50 315А габарит 2 УХЛ3 на держателе
Командаконтроллеры ККТ 60, 61, 62, 63, 65, 66, 68.
Mastech M266F — токоизмерительные клещи
MULTI M-730 — токовые клещи-миллиамперметр
RP450-04 — измеритель оптической мощности
Предохранитель ППН- 33-20 63А габарит 00 УХЛ2 на держателе
MFG-72220HM — генератор сигналов специальной формы
O'xshash kategoriyalar