Выключатель-разъединитель ВНК-37-71131-32 УХЛ3
Описание товара
Выключатели-разъединители серии ВНК предназначены для включения, пропускания и отключения переменного тока в устройствах распределения электрической энергии, могут быть использованы в качестве главных и аварийных выключателей.
Основными узлами аппарата являются подвижные и неподвижные контакты и механизм мгновенного действия.
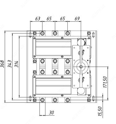
Корпус аппарата состоит из верхнего и нижнего блоков, стянутых винтами. В верхней части корпуса имеется прозрачная защитная крышка, позволяющая наблюдать за положением контактов.
В нижнем блоке корпуса установлены неподвижные ножевые контакты, компактные дугогасительные камеры и ползун с установленными в него подвижными контактами.
Включение и отключение аппарата производится с помощью фронтальной рукоятки посредством механизма мгновенного действия, перемещающего ползун с подвижными контактами параллельно плоскости монтажа аппарата.
Скорость срабатывания механизма не зависит от скорости движения руки оператора, тем самым обеспечивается мгновенное и одновременное замыканиеконтактов всех полюсов.
Внимание: характеристики товара, комплект поставки и внешний вид могут быть изменены производителем без предварительного уведомления. Указанная информация не является публичной офертой.
Показать все
Скрыть
Отзывы
У данного товара пока нет отзывов. Станьте первым, кто поделится своим мнением и поможет другим сделать выбор
Спасибо за ваш отзыв!
Менеджер свяжется с вами в течение 30 минут для уточнения деталей, стоимости и условий доставки
Зарегистрированные пользователи могут отслеживать статус заказа в личном кабинете
С этим товаром смотрят
ВЫКЛ-РАЗЪЕД INTERPACT INV160 4П Schneider Electric
10 сум
Выключатель-разъединитель ВР32-31А71220-00 УХЛ3
10 сум
Syscompact-2000 portable — мобильный комплекс для поиска мест повреждений кабелей
10 сум
ВЫКЛ-РАЗЪЕД INTERPACT INS500 3П Schneider Electric
10 сум
Комплектующие к ВР32 Рукоятка к ВР 32-39 71250
10 сум
ВЫКЛ-РАЗЪЕД INTERPACT INV160 4П Schneider Electric
10 сум
Выключатель-разъединитель ВНК-43-31130-32 УХЛ3
10 сум
RSA3015E-TG — анализатор спектра реального времени с трекинг-генератором
72 583 680 сум
Выключатель-разъединитель ВР32И-37В31250 400А IEK
10 сум
Выключатель-разъединитель ВР32-31-А-31240-00УХЛ3
10 сум
Выключатель-разъединитель ВР32-39А30220-00 УХЛ3 лев.
10 сум
Выключатель-разъединитель ВР32-35В71250-32 УХЛ3
10 сум
Ранее вы смотрели
Когти монтерские по дереву КМ-1
Защищѐнный рефлектометр РИ-10М1 «СТРИЖ»
CALIBRO 133C — калибратор мощности и энергии
Выключатель-разъединитель ВНК-37-71131-32 УХЛ3
СТ3021 — варметр цифровой щитовой
Поиск-410 Мастер комплект с генератором ГК-мини — трассодефектоискатель
Ч3-85/7 — частотомер электронно-счетный
УПП-2010 - установка поисково-прожигающая
AQ1100D-HR-F-HPM-UFC/SB — тестер оптический
Fluke 700TLK — комплект измерительных проводов
Похожие категории