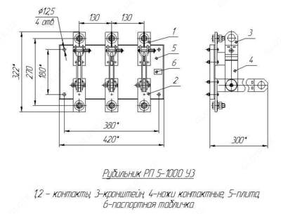
Рубильник РП-5 1000А
Описание товара
Назначение.
Рубильники РП5 предназначены для защиты и не автоматической коммутации силовых электрических цепей переменного тока в устройствах распределения электрической энергии.
Климатическое исполнение У категории 3 по ГОСТ 15150. Изделия также пригодны для эксплуатации в условиях, нормированных для исполнения УХЛ категория 4.
Конструкция.
Основными частями аппаратов являются ножи, совмещенные и контактные стойки с выводами для подключения, смонтированные на общей плите (100...400А - металлическая плита, 630А - текстолитовая).
Рубильники имеют по одному ряду совмещённых и контактных стоек. Необходимое контактное нажатие обеспечивается пружинами, на совмещённых - сферическими шайбами.
У аппаратов контактные ножи связаны осью, приводящейся в движение посредством симметрично расположенных по длине тяг, второй конец которых шарнирно соединён с валом.
На рубильниках вал приводится во вращение боковой съёмной рукояткой (или приводом), устанавливаемой на одном его конце.
Рубильники с центральным расположением привода приводятся в движение скобой связанной с осью контактных ножей.
Внимание: характеристики товара, комплект поставки и внешний вид могут быть изменены производителем без предварительного уведомления. Указанная информация не является публичной офертой.
Показать все
Скрыть
Отзывы
У данного товара пока нет отзывов. Станьте первым, кто поделится своим мнением и поможет другим сделать выбор
Спасибо за ваш отзыв!
Менеджер свяжется с вами в течение 30 минут для уточнения деталей, стоимости и условий доставки
Зарегистрированные пользователи могут отслеживать статус заказа в личном кабинете
С этим товаром смотрят
Ящик с рубильником ЯРП 630А IP54 без ПН-2 (ЯРП11М391)
10 сум
Рубильник OT40F3 до 40А 3х-полюсный для установки на DIN-рейку или монтажную плату (с резерв. ручкой)
10 сум
Рубильник РПС-2/1 Л 250А без ПН
10 сум
Рубильник со смещен.приводом РПС 2/1Л 250А (без ПН) рукоятка слева керамические изоляторы
10 сум
OXS6X250 переходник 250мм для ручки упр.рубильниками типа ОТ16..125F
10 сум
Рубильник OT63FT3 до 63А 3х-полюсный дверного монтажа (без ручки)
10 сум
Рубильник РПС - 1/П 100А без ПН правая рукоятка
10 сум
OHB65J6E-RUH Ручка (черная) с символами на русском для упр. через дверь рубильниками ОТ160...250
10 сум
OHYS2RJE-RUH Ручка управления (желто-красная) с символами на русском для рубильник. дверного монтажа
10 сум
Рубильник РПС 2/1П 250А без ПН2 правая рукоятка
10 сум
Ящик силовой с рубильником ЯБПВУ 400А IP54 с ППН-37 медные контакт основания
10 сум
Ящик с рубильником ЯРВ 100А IP32 с ПН2 (ЯРВ-100-32)
10 сум
Ранее вы смотрели
М1Р-200-01 Мерник
KEW 3132A — мегаомметр аналоговый
FCA3100 — частотомер
Разъединитель РБ 4/П 400А с правым приводом
Рубильник РП-5 1000А
PM16B — мультиметр цифровой (True RMS)
Программируемый логический контроллер plc XC3 серии micro plc XC3-60RT-E
ГП-250К — генератор поисковый
Ч3-96 — частотомер
OW18A — мультиметр цифровой True RMS
Похожие категории