Рубильник РПБ 1/Л (без ПН), 100А рукоятка слева
Описание товара
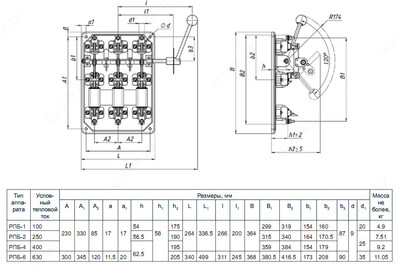
РПБ: Р - рубильник, П - предохранители, Б - боковая рукоятка.
Рубильник предназначен для пропускания токов нагрузки, включения и отключения электрических цепей номинальным напряжением до 500 В переменного тока номинальной частоты 50, 60 Гц, а также для создания видимого разрыва цепи. Применяется в устройствах распределения электрической энергии. Включение-отключение рубильника производится вручную. Рубильник не имеет системы дугогашения, поэтому категорически недопускается его отключение под нагрузкой.
Вид климатического исполнения УХЛ, категория размещения 3 по ГОСТ 15150. Категория применения для переменного тока АС-20 В.
РПБ - рубильники с предохранителями на общей (стальной) плите открытого исполнения, трехполюсные, с ручным боковым приводом для переднего присоединения проводников, предназначены для нечастых (не более 6 в час) неавтоматических коммутаций электрических цепей переменного тока. В рубильниках используются предохранители серии ПН 2.
Внимание: характеристики товара, комплект поставки и внешний вид могут быть изменены производителем без предварительного уведомления. Указанная информация не является публичной офертой.
Показать все
Скрыть
Отзывы
У данного товара пока нет отзывов. Станьте первым, кто поделится своим мнением и поможет другим сделать выбор
Спасибо за ваш отзыв!
Менеджер свяжется с вами в течение 30 минут для уточнения деталей, стоимости и условий доставки
Зарегистрированные пользователи могут отслеживать статус заказа в личном кабинете
С этим товаром смотрят
Рубильник РПБ-4/1 П 400А без ПН с боковой рукояткой, вал 170мм
10 сум
Рубильник РС-6/1П правый привод
10 сум
Ящик с рубильником-переключателем ЯРПП 400А IP32 с ПН-2 (ЯРП11М-771) Льгов
10 сум
Рубильник РПС 1/1Л 100А с ПН2 левая рукоятка
10 сум
Рубильник OT16FT3 до 16А 3х-полюсный дверного монтажа (без ручки)
10 сум
Рубильник РПС-6/1 П 630А без ПН
10 сум
Ящик с рубильником ЯВЗ 400А IP54 без ПН2 (ЯВЗ-34-54) Льгов
10 сум
Рубильник РПС 4/1Л 400А с ПН2 левая рукоятка
10 сум
Ящик с рубильником ЯВЗ 630А IP54 без ПН2 (ЯВЗ-36-54) Льгов
10 сум
Рубильник OT125F3 до 125А 3х-полюсный для установки на DIN-рейку или монтажную плату (с резерв. ручкой)
10 сум
OHBS3/1 Ручка управления (черная) для управления рубильниками типа OT16..125F
10 сум
Ящик с рубильником ЯРВ 100А IP32 с ПН2 (ЯРВ-100-32)
10 сум
Ранее вы смотрели
Выключатель-разъединитель ВР32-35В71250-32 УХЛ3
Плавкая вставка ППН33 63А габарит 0
Плавкая вставка ППН33 100А габарит 0
Рубильник РПБ 1/Л (без ПН), 100А рукоятка слева
Разъединитель РБ 6/П 630А с правым приводом
PM2108 — токовые клещи AC/DC
ПКР-2M — прибор контроля устройств РПН трансформаторов
Контактор МК-1-22Б У3 40А 110В
АКИП-7518/4 — мера сопротивления
2-ХОДОВЫЕ ФЛАНЦЕВЫЕ КЛАПАНЫ VVF31
Похожие категории