Выключатель-разъединитель ВНК-37-71130-54 УХЛ3
Описание товара
Выключатели-разъединители серии ВНК предназначены для включения, пропускания и отключения переменного тока в устройствах распределения электрической энергии, могут быть использованы в качестве главных и аварийных выключателей.
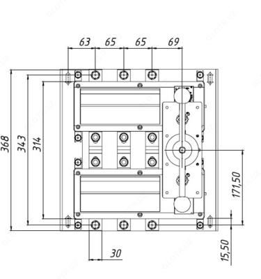
Основными узлами аппарата являются подвижные и неподвижные контакты и механизм мгновенного действия.
Корпус аппарата состоит из верхнего и нижнего блоков, стянутых винтами. В верхней части корпуса имеется прозрачная защитная крышка, позволяющая наблюдать за положением контактов.
В нижнем блоке корпуса установлены неподвижные ножевые контакты, компактные дугогасительные камеры и ползун с установленными в него подвижными контактами.
Включение и отключение аппарата производится с помощью фронтальной рукоятки посредством механизма мгновенного действия, перемещающего ползун с подвижными контактами параллельно плоскости монтажа аппарата.
Скорость срабатывания механизма не зависит от скорости движения руки оператора, тем самым обеспечивается мгновенное и одновременное замыканиеконтактов всех полюсов.
Внимание: характеристики товара, комплект поставки и внешний вид могут быть изменены производителем без предварительного уведомления. Указанная информация не является публичной офертой.
Показать все
Скрыть
Отзывы
У данного товара пока нет отзывов. Станьте первым, кто поделится своим мнением и поможет другим сделать выбор
Спасибо за ваш отзыв!
Менеджер свяжется с вами в течение 30 минут для уточнения деталей, стоимости и условий доставки
Зарегистрированные пользователи могут отслеживать статус заказа в личном кабинете
С этим товаром смотрят
Выключатель-разъединитель ВР32-35-В-31250-32 УХЛ3 лев.
10 сум
Выключатель-разъединитель ВР32И-35A31240 250А IEK
10 сум
MFM 10 — система поиска повреждений оболочки методом биполярного падения напряжения
10 сум
Выключатель-разъединитель ВНК-39-71130-32 УХЛ3
10 сум
Выключатель-разъединитель ВР32И-31А30220 100А IEK
10 сум
Комплектующие к ВР32 Рукоятка к ВР 32-39 71250
10 сум
Выключатель-разъединитель ВНК-43-31130-32 УХЛ3
10 сум
SFX 8-1000 — система для поиска кабельных повреждений
10 сум
Выключатели-разъединители ПЕРЕД. ВЫНОС.ЧЕРН. РУКОЯТ (INS40-INS160)
10 сум
Выключатель-разъединитель ВНК-35-31130-54 УХЛ3
10 сум
Выключатель-разъединитель INS1600 3П Schneider Electric
10 сум
Выключатель-разъединитель ВР32-37-А-30220-00 УХЛ3 лев.
10 сум
Ранее вы смотрели
DT-9120 — указатель напряжения
Выключатель-разъединитель ВНК-35-71130-54 УХЛ3
Выключатель-разъединитель ВНК-37-71130-54 УХЛ3
Термограмма ТМ — тепловизионный комплекс
PS194P-2X1 — ваттметр (базовая модификация)
AnCom AT-3 — тональный автоответчик
6ES7232-0HB22-0XA0 КОНТРОЛЛЕРЫ SIEMENS S7-200
Контакторы Siemens 3RT1026-1AL24-3MA0
АСК-4114 — комбинированный прибор 4 в 1
Защищѐнный рефлектометр РИ-407 «СТРИЖ-С»
Похожие категории