Выключатель-разъединитель ВНК-37-71130N-32УХЛ3
Описание товара
Выключатели-разъединители серии ВНК предназначены для включения, пропускания и отключения переменного тока в устройствах распределения электрической энергии, могут быть использованы в качестве главных и аварийных выключателей.
Основными узлами аппарата являются подвижные и неподвижные контакты и механизм мгновенного действия.
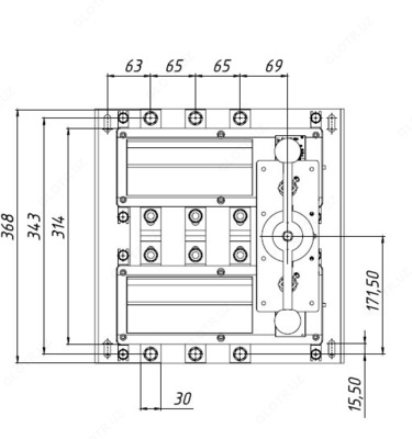
Корпус аппарата состоит из верхнего и нижнего блоков, стянутых винтами. В верхней части корпуса имеется прозрачная защитная крышка, позволяющая наблюдать за положением контактов.
В нижнем блоке корпуса установлены неподвижные ножевые контакты, компактные дугогасительные камеры и ползун с установленными в него подвижными контактами.
Включение и отключение аппарата производится с помощью фронтальной рукоятки посредством механизма мгновенного действия, перемещающего ползун с подвижными контактами параллельно плоскости монтажа аппарата.
Скорость срабатывания механизма не зависит от скорости движения руки оператора, тем самым обеспечивается мгновенное и одновременное замыканиеконтактов всех полюсов.
Внимание: характеристики товара, комплект поставки и внешний вид могут быть изменены производителем без предварительного уведомления. Указанная информация не является публичной офертой.
Показать все
Скрыть
Отзывы
У данного товара пока нет отзывов. Станьте первым, кто поделится своим мнением и поможет другим сделать выбор
Спасибо за ваш отзыв!
Менеджер свяжется с вами в течение 30 минут для уточнения деталей, стоимости и условий доставки
Зарегистрированные пользователи могут отслеживать статус заказа в личном кабинете
С этим товаром смотрят
Выключатель-разъединитель ВНК-39-31130N-54 УХЛ3
10 сум
ВЫКЛ-РАЗЪЕД-ПРЕДОХР. ISFL250 (ПРЯМОЕ КРЕПЛ. НА ШИНУ Schneider Electric
10 сум
Выключатель-разъединитель ВНК-43-31131-32УХЛ3 лев.
10 сум
Комплектующие к ВР32 Рукоятка к ВР 32- 31/35/37 70220
10 сум
УППЭС 6-10 — устройство поиска повреждений электрических сетей
10 сум
MFM 10 — система поиска повреждений оболочки методом биполярного падения напряжения
10 сум
ВЫКЛ-РАЗЪЕД INTERPACT INV160 4П Schneider Electric
10 сум
BURNMAKER-2 — компактная прожиговая установка для определения мест повреждения электрического нагревательного кабеля в системах теплого пола
10 сум
Выключатель-разъединитель ВНК-43-21131-32 УХЛ3 лев.
10 сум
Комплектующие к ВР32 Рукоятка к ВР 32- 31/35/37 70220
10 сум
Выключатель-разъединитель ВР32-39В31250-32 УХЛ3лев
10 сум
Выключатель-разъединитель ВР32-35В31250 лев
10 сум
Ранее вы смотрели
Выключатель-разъединитель ВНК-37-71130N-32УХЛ3
Предохранитель ППН- 33-23 32А габарит 00 УХЛ3 на держателе
Рубильник РПБ 2/Л (без ПН), 250А рукоятка слева
APPA A6D — Клещи токоизмерительные
ВКВ-150 — киловольтметр цифровой
MD 9250 — токоизмерительные клещи
УПУ-1 — установка высоковольтная
МВ-4-2М — психрометр аспирационный
2-ХОДОВЫЕ МУФТОВЫЕ КЛАПАНЫ VVG55
АКИП-6602 — векторный анализатор цепей
Похожие категории