Выключатель-разъединитель ВНК-35-71130-54 УХЛ3
Описание товара
Выключатели-разъединители серии ВНК предназначены для включения, пропускания и отключения переменного тока в устройствах распределения электрической энергии, могут быть использованы в качестве главных и аварийных выключателей.
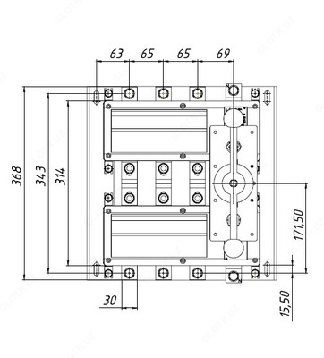
Основными узлами аппарата являются подвижные и неподвижные контакты и механизм мгновенного действия.
Корпус аппарата состоит из верхнего и нижнего блоков, стянутых винтами. В верхней части корпуса имеется прозрачная защитная крышка, позволяющая наблюдать за положением контактов.
В нижнем блоке корпуса установлены неподвижные ножевые контакты, компактные дугогасительные камеры и ползун с установленными в него подвижными контактами.
Включение и отключение аппарата производится с помощью фронтальной рукоятки посредством механизма мгновенного действия, перемещающего ползун с подвижными контактами параллельно плоскости монтажа аппарата.
Скорость срабатывания механизма не зависит от скорости движения руки оператора, тем самым обеспечивается мгновенное и одновременное замыканиеконтактов всех полюсов.
Внимание: характеристики товара, комплект поставки и внешний вид могут быть изменены производителем без предварительного уведомления. Указанная информация не является публичной офертой.
Показать все
Скрыть
Отзывы
У данного товара пока нет отзывов. Станьте первым, кто поделится своим мнением и поможет другим сделать выбор
Спасибо за ваш отзыв!
Менеджер свяжется с вами в течение 30 минут для уточнения деталей, стоимости и условий доставки
Зарегистрированные пользователи могут отслеживать статус заказа в личном кабинете
С этим товаром смотрят
ВЫКЛ-РАЗЪЕД INTERPACT INV100 4П Schneider Electric
10 сум
Выключатель-разъединитель ВНК-35-31130-32УХЛ3 (лев.)
10 сум
Выключатель-разъединитель ВНК-43-21131-32 УХЛ3 лев.
10 сум
Выключатель-разъединитель ВР32-31А70220-00 УХЛ3
10 сум
Выключатель-разъединитель ВР32И-37В31250 400А IEK
10 сум
Выключатель-разъединитель ВНК-41-41130-32 УХЛ3 центр.
10 сум
ВЫКЛ-РАЗЪЕД INTERPACT INV100 3П Schneider Electric
10 сум
РЕТ-GPS Блок временной GPS-синхронизации
0 сум
Выключатель-разъединитель ВНК-41-31130-54УХЛ3 лев.
10 сум
RSA3015N — анализатор спектра реального времени
85 621 536 сум
Выключатель-разъединитель ВНК-43-21131-32 УХЛ3
10 сум
Комплектующие к ВР32 Рукоятка к ВР 32- 31/35/37 30220
10 сум
Ранее вы смотрели
DT-9120 — указатель напряжения
Выключатель-разъединитель ВНК-35-71130-54 УХЛ3
DT-9875 — тепловизор портативный
Термограмма ТМ — тепловизионный комплекс
AnCom AT-3 — тональный автоответчик
6ES7232-0HB22-0XA0 КОНТРОЛЛЕРЫ SIEMENS S7-200
Контакторы Siemens 3RT1026-1AL24-3MA0
АСК-4114 — комбинированный прибор 4 в 1
АСК-4106-L — прибор комбинированный
Защищѐнный рефлектометр РИ-407 «СТРИЖ-С»
Похожие категории