Выключатель-разъединитель ВНК-37-71130-32 УХЛ3
Product description
Выключатели-разъединители серии ВНК предназначены для включения, пропускания и отключения переменного тока в устройствах распределения электрической энергии, могут быть использованы в качестве главных и аварийных выключателей.
Основными узлами аппарата являются подвижные и неподвижные контакты и механизм мгновенного действия.
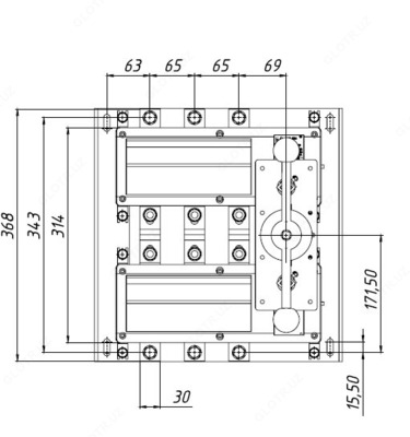
Корпус аппарата состоит из верхнего и нижнего блоков, стянутых винтами. В верхней части корпуса имеется прозрачная защитная крышка, позволяющая наблюдать за положением контактов.
В нижнем блоке корпуса установлены неподвижные ножевые контакты, компактные дугогасительные камеры и ползун с установленными в него подвижными контактами.
Включение и отключение аппарата производится с помощью фронтальной рукоятки посредством механизма мгновенного действия, перемещающего ползун с подвижными контактами параллельно плоскости монтажа аппарата.
Скорость срабатывания механизма не зависит от скорости движения руки оператора, тем самым обеспечивается мгновенное и одновременное замыканиеконтактов всех полюсов.
Внимание: характеристики товара, комплект поставки и внешний вид могут быть изменены производителем без предварительного уведомления. Указанная информация не является публичной офертой.
Show all
Hide
Reviews
This product doesn't have any reviews yet. Be the first to share your opinion and help others make a choice
Thank you for your feedback!
A manager will contact you within 30 minutes to clarify details, cost, and delivery terms
Registered users can track the order status in their personal account
People view with this product
Выключатель-разъединитель ВР32-31-В-31250-32 УХЛ3 лев.
10 sum
Комплектующие к ВР32 Ось к ВР 32-37В31250 50мм (400А)
10 sum
ВЫКЛ-РАЗЪЕД INTERPACT INV400 3П Schneider Electric
10 sum
SPG 32-1750 — установка для испытаний и поиска кабельных повреждений, без TDR
10 sum
Выключатель-разъединитель ВР32И-39A71240 630А IEK
10 sum
Выключатель-разъединитель ВНК-39-71130-54УХЛ3
10 sum
BURNMAKER-2 — компактная прожиговая установка для определения мест повреждения электрического нагревательного кабеля в системах теплого пола
10 sum
Выключатель-разъединитель ВНК-39-31130-32 УХЛ3
10 sum
Комплектующие к ВР32 Рукоятка к ВР 32- 31/35/37 70220
10 sum
Комплектующие к ВР32 Рукоятка к ВР 32- 31/35/37 70220
10 sum
ВЫКЛ-РАЗЪЕД INTERPACT INV320 4П Schneider Electric
10 sum
Выключатель-разъединитель ВНК-35-71130-54 УХЛ3
10 sum
Previously you watched
Изолятор SM76 (М10) силовой с болтом ИЭК
Выключатель-разъединитель ВНК-37-71130-32 УХЛ3
Разъединитель линейный РЛКпл-IV-10/630 УХЛ1 Н=6800
Кельвин АРТО 1500А (А07) — стационарный ИК-термометр
CENTER 223 — клещи токоизмерительные
F203 — токоизмерительные клещи
ИКЗ-К2 — индикатор короткого замыкания
Fisher F70GWP-R — металлоискатель
УМПК — устройство механического прокола кабеля
СА3010/1-485 — миллиамперметр (c интерфейсом передачи данных RS485)
Similar categories